
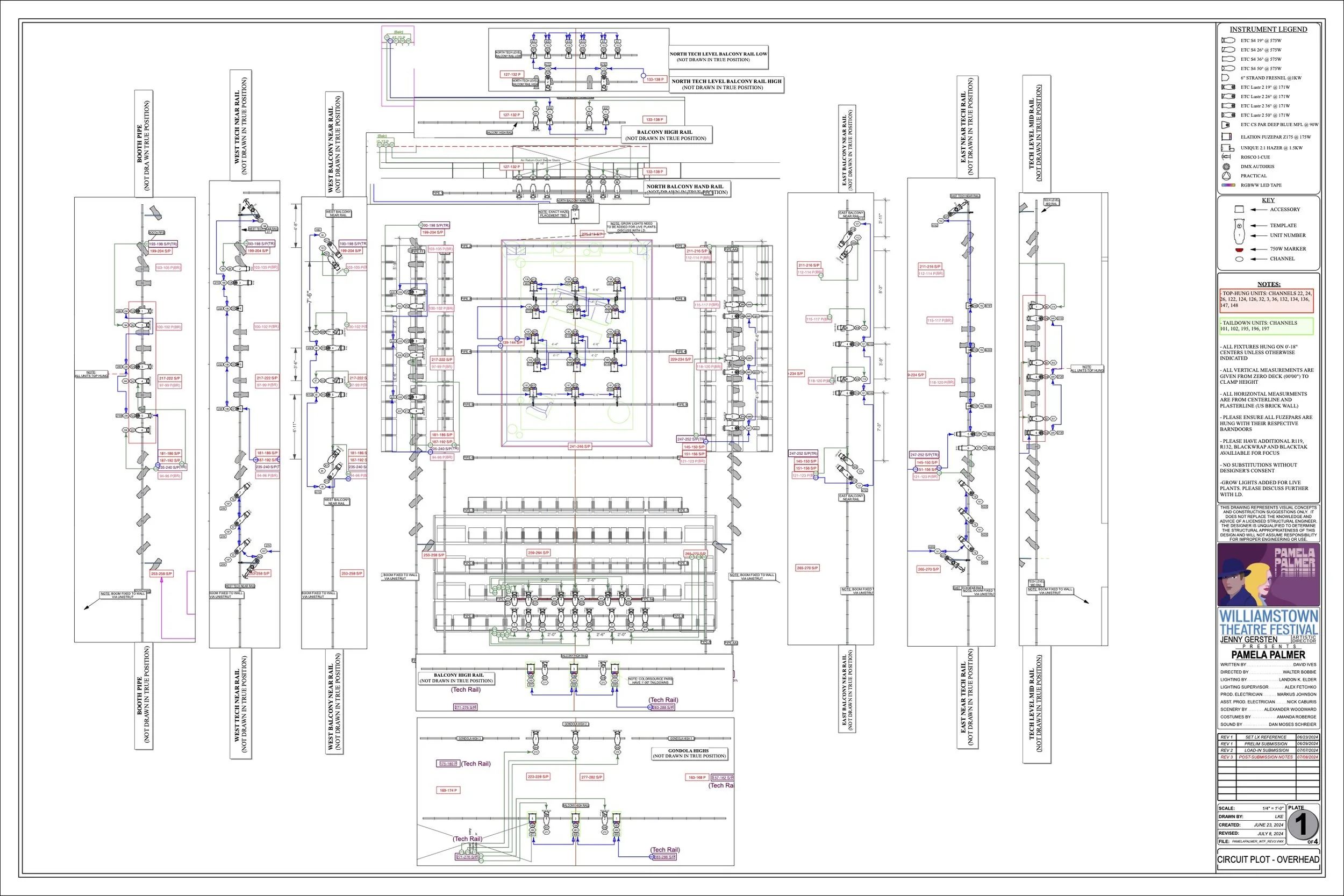
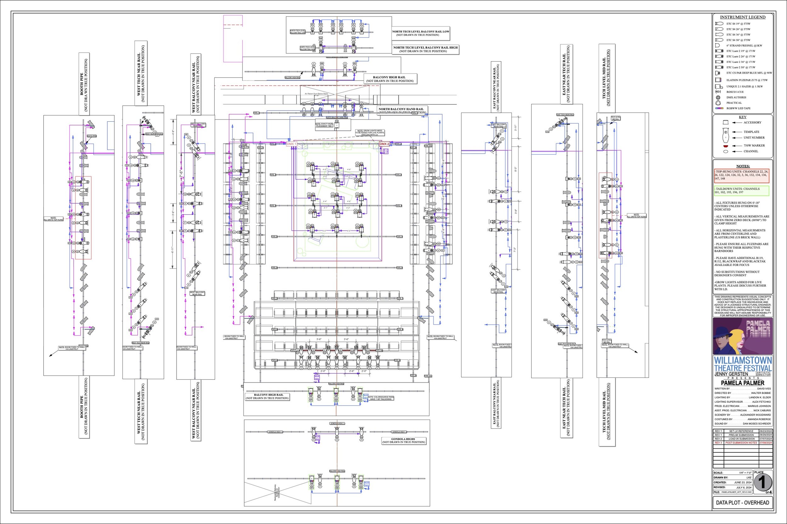
Williamstown Theatre Festival
Director: Walter Bobby
Book: David Ives
Production Stage Manager: Robbie Armstrong III
Lighting Designer: Landon Elder
Production Electrician: Markus Johnson
Director: Walter Bobby
Book: David Ives
Production Stage Manager: Robbie Armstrong III
Lighting Designer: Landon Elder
Production Electrician: Markus Johnson